微小ビーム径測定光学系+カメラセット【波長:190–400 nm対応】|光響
LBP-C05DUV‐BE
LBP-C05DUV-BEは測定波長範囲 190 – 400 nm の領域を測定可能なカメラ式ビームプロファイラです。また、微小ビーム測定光学系とセットのため、1 μm以下の小さなビーム径も測定することができます。
特徴
- 測定波長範囲 : 190 – 400 nm
- 光学分解能 : 1 μm 以下
- 用途 : 通信用、研究開発用、加工機用、医療用他多数

レンタル機あり
仕様
| 測定波長範囲 | 190 – 400 nm | ||
|---|---|---|---|
| ビーム径 | 2 – 100 μm | ||
| 微小ビーム径測定光学系 | 倍率 | 約 30 倍 | |
| 光学システムN.A. | 0.50 | ||
| 光学分解能 | 1 μm以下 | ||
| ワーキングディスタンス | 約 1 mm | ||
| 長さ | 194 mm | ||
| 価格 | お問い合わせください | ||
| 納期 | 約 4 週間 | ||
オプション品
LBP-C05DUV‐BEのオプションとして、カメラと微小光学系を固定するジグをご用意しております。
詳しくはお問い合わせください。
各部名称
注:ビームスプリッターは、別途オプション販売しています。
装着時
未装着
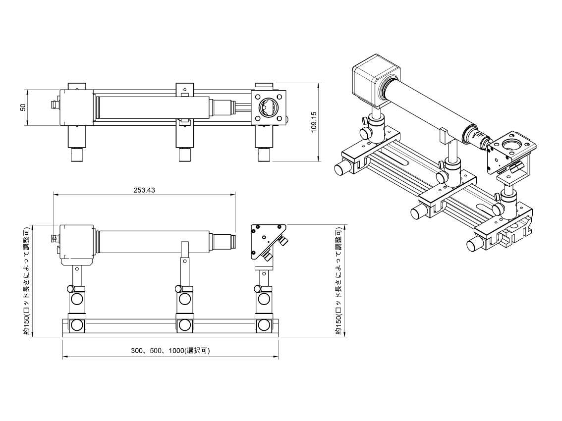
外形寸法図


カメラセット 製品一覧








