エクステンディッドアポクロマート対物レンズ
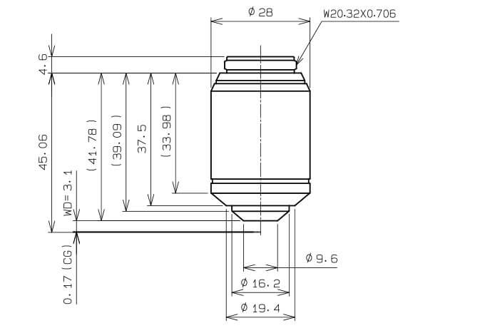
UPLXAPO10X

10X 対物レンズ NA 0.4 FN 26.5 WD 3.1 mm
仕様
| 後焦点面(BFP)位置[mm] | -19.1 |
|---|---|
| オートフォーカス対応 | Yes |
| 補正環 | N/A |
| カバーガラス厚さ[mm] | 0.17 |
| 蛍光(白黒励起および緑蛍光励起) | Excellent |
| 蛍光(UV励起 365 nm) | Excellent |
| 浸漬媒質 | Air/Dry |
| Siまたはガラス透過IR | N/A |
| 倍率 | 10 |
| 取付ネジ | W20.32X0.706(RMS) |
| 多光子励起(MPE) | N/A |
| 開口数(NA) | 0.4 |
| 対物レンズ視野数 | 26.5 |
| 対物レンズの種類 | 拡張アポクロマート |
| 同焦点距離 [mm] | 45 |
| 位相差(PH) | N/A |
| 偏光(PO) | Good |
| 反射明視野(BF) | N/A |
| 反射暗視野(DF) | N/A |
| 反射DIC(可視域) | N/A |
| レリーフコントラスト(RC) | N/A |
| TIRF(全反射蛍光) | N/A |
| 1000~1300 nm 透過率 | Yes |
| 340 nm 透過率 | Yes |
| 700~1000 nm 透過率 | Yes |
| 透過明視野(BF) | Excellent |
| 透過暗視野(DF) | Good |
| 透過微分干渉(DIC)(可視域) | Excellent |
| 可変カバーガラス | N/A |
| カバーガラスあり | Yes |
| カバーガラスなし | N/A |
| WLI(白色光干渉法) | N/A |
| 作動距離(WD)[mm] | 3.1 |


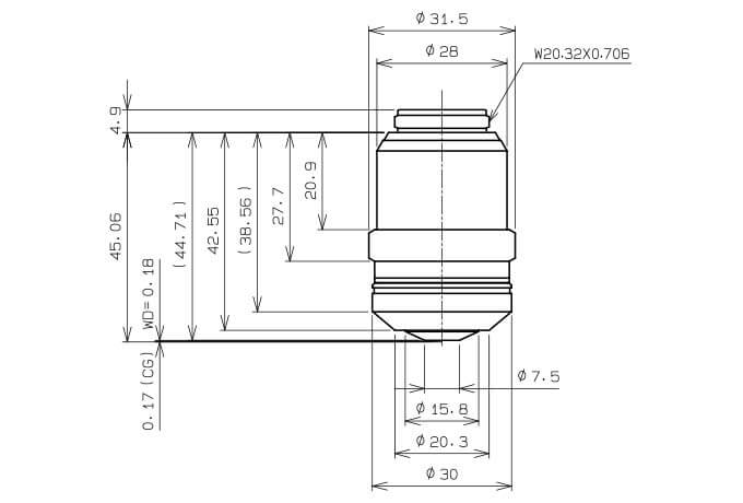
UPLXAPO40X

40X 対物レンズ NA 0.95 FN 26.5 WD 0.18 mm
仕様
| 後焦点面(BFP)位置[mm] | -19.1 |
|---|---|
| オートフォーカス対応 | Yes |
| 補正環 | Yes |
| カバーガラス厚さ[mm] | 0.11 – 0.23 |
| 蛍光(白黒励起) | Excellent |
| 蛍光(UV励起 365 nm) | Excellent |
| 浸漬媒質 | Air/Dry |
| Siまたはガラス透過IR | N/A |
| 倍率 | 40 |
| 取付ネジ | W20.32X0.706(RMS) |
| 多光子励起(MPE) | N/A |
| 開口数(NA) | 0.95 |
| 対物レンズ視野数 | 26.5 |
| 対物レンズの種類 | 拡張アポクロマート |
| 同焦点距離 [mm] | 45 |
| 位相差(PH) | N/A |
| 偏光(PO) | Good |
| 反射明視野(BF) | N/A |
| 反射暗視野(DF) | N/A |
| 反射DIC(可視域) | N/A |
| レリーフコントラスト(RC) | N/A |
| TIRF(全反射蛍光) | N/A |
| 1000~1300 nm透過率 | N/A |
| 340 nm透過率 | Yes |
| 700~1000 nm透過率 | Yes |
| 透過明視野(BF) | Excellent |
| 透過暗視野(DF) | N/A |
| 透過DIC(可視域) | Excellent |
| 可変カバーガラス | Yes |
| カバーガラスあり | Yes |
| カバーガラスなし | N/A |
| WLI(白色光干渉法) | N/A |
| 作動距離(WD)[mm] | 0.18 |

UPLXAPO60XO

60XO 対物レンズ NA 142.0 FN 26.5 WD 0.15 mm
仕様
| 後焦点面(BFP)位置 [mm] | -19.1 |
|---|---|
| オートフォーカス対応 | Yes |
| 補正環 | N/A |
| カバーガラス厚さ[mm] | 0.17 |
| 蛍光(白黒励起) | Excellent |
| 蛍光(UV励起 365 nm) | Excellent |
| 浸漬媒質 | Normal Oil |
| Siまたはガラス透過IR | N/A |
| 倍率 | 60 |
| 取付ネジ | W20.32X0.706(RMS) |
| 多光子励起(MPE) | N/A |
| 開口数(NA) | 1.42 |
| 対物レンズ視野数 | 26.5 |
| 対物レンズの種類 | 拡張アポクロマート |
| 同焦点距離 [mm] | 45 |
| 位相差(PH) | N/A |
| 偏光(PO) | Good |
| 反射明視野(BF) | N/A |
| 反射暗視野(DF) | N/A |
| 反射DIC(可視域) | N/A |
| レリーフコントラスト(RC) | N/A |
| TIRF(全反射蛍光) | N/A |
| 1000~1300 nm透過率 | N/A |
| 340 nm透過率 | N/A |
| 700~1000 nm透過率 | Yes |
| 透過明視野(BF) | Excellent |
| 透過暗視野(DF) | N/A |
| 透過DIC(可視域) | Excellent |
| 可変カバーガラス | N/A |
| カバーガラスあり | Yes |
| カバーガラスなし | N/A |
| WLI(白色光干渉法) | N/A |
| 作動距離(WD)[mm] | 0.15 |

